聚合物鋰離子電池充電系統負載均衡的設計
MCP73871演示了如何在滿足空間和成本要求的情況下在很短時間內交付鋰離子充電管理解決方案。聚合物鋰離子電池廣泛用于當今的便攜式消費電子產品。常見的鋰聚合物電池是采用固體聚合物隔膜的鋰離子聚合物電池,并且使用與鋰離子電池相同的充電算法。由于便攜式電子產品的功能不斷增多且顯示屏尺寸不斷增大,聚合物鋰離子電池使用情況也在發生改變。每天電池充電的次數增多,在電池充電的同時可以操作設備變得非常重要。

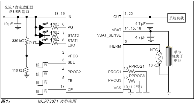
聚合物鋰離子電池充電系統負載均衡圖
設計聚合物鋰離子電池供電系統的傳統方法是將系統負載與電池直接連接。系統負載會使鋰離子電池不斷放電,消耗電池的生命周期。為了最大程度延長鋰離子電池的生命周期,建議在輸入電源可用時適當地終止充電,并通過輸入電源為系統供電。為了防止鋰離子電池發生過充,通常需要使用一個歷時定時器作為輔助方法,在滿足適當的終止條件之前關閉電池充電活動。恒壓階段的最小電流檢測是針對鋰離子電池的典型終止方法。如果系統連續從鋰離子電池消耗電流,則無法使用最小電流來正常終止充電管理系統。它會定期開啟和關閉,或由于定時器故障條件而產生錯誤。

聚合物鋰離子電池的MCP73871旨在克服鋰離子電池供電應用的這些設計挑戰。MCP73871是一款尺寸緊湊且功能豐富的單芯片解決方案。該器件非常適合用于設計小型系統,同時還可以延長系統運行時間和電池壽命。
MCP73871器件是一款用于系統負載均衡和鋰聚合物電池充電管理的完全集成線性解決方案,可以選擇交流/直流墻式適配器或USB端口電源。此外,它還可以在輸入電源和電池之間進行自主電源選擇。該器件不僅物理體積小而且需要的外部元件少,因此非常適合于便攜式應用。MCP73871器件可以自動從單節輯離子電池或輸入電源(交流/直流墻式適配器或USB端口)獲取系統負載的電源。MCP73871器件完全遵從USB規范規定的電流消耗限制。使用交流/直流墻式適配器為系統供電時,外部電阻將設置最大幅值為1A的充電電流,同時支持系統負載和電池充電電流之和最高為1.8A的總電流。
MCP73871器件采用恒流/恒壓(CC/CV)充電算法,具有可選的充電終止點。提供4種固定的恒壓穩壓選項:
4.10V、4.20V、4.35V或440V,以適應新興的電池充電需求。在高功耗或高環境溫度條件下,MCP73871器件還可以基于裸片溫度限制充電電流。這種熱調節功能可以優化充電周期時間,同時還可以保持器件的可靠性。
MCP73871器件包含了一個電池低電量指示器、一個電源正常指示器和兩個充電狀態指示器,可以使用LED進行顯示或與主控單片機進行通信。MCP73871器件支持-40℃至+85℃的環境溫度范圍。
相關文章
-

什么是泳池清洗機器人?
2025-09-02 -

宇樹、云深處、小米、蔚藍等18 款主流機器人“心臟”—動力電池全景解析
2025-08-19 -

深入解析鋰電池電壓:LiPo 電池性能、安全與應用指南
2025-06-27










